郴推新工办〔2019〕9号
2019年上半年全市新型工业化主要指标完成
情 况 通 报
各县市区加速推进新型工业化工作领导小组办公室,市加速推进新型工业化工作领导小组成员单位:
现将2019年上半年全市新型工业化指标完成情况通报如下:
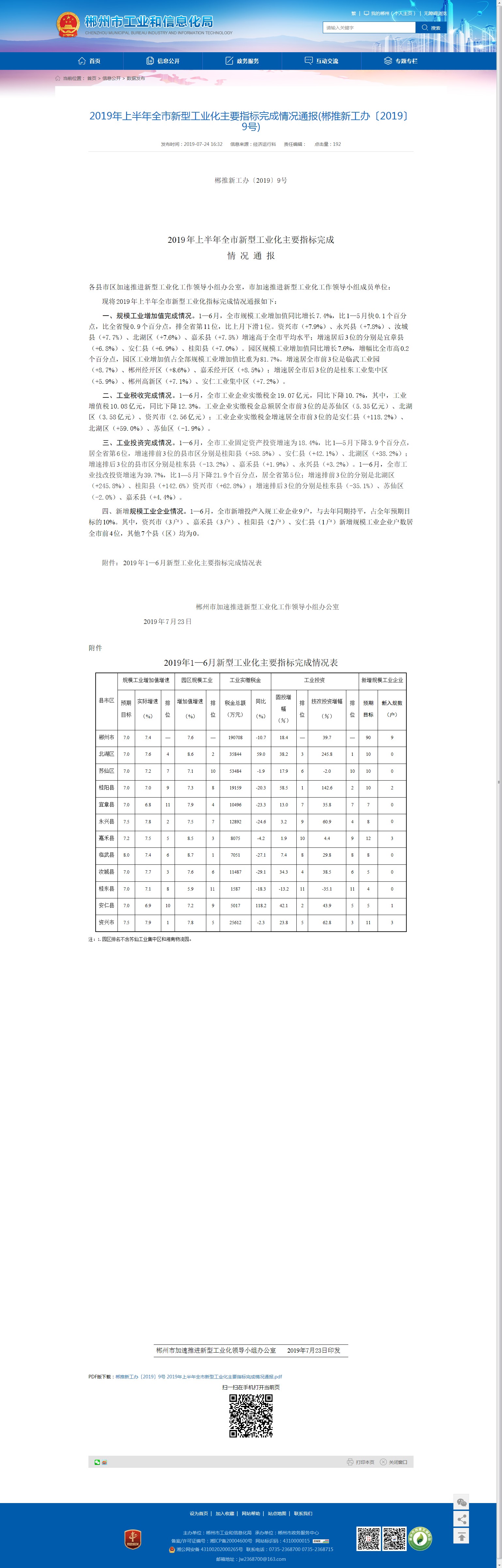
一、规模工业增加值完成情况。1—6月,全市规模工业增加值同比增长7.4%,比1—5月快0.1个百分点,比全省慢0.9个百分点,排全省第11位,比上月下滑1位。资兴市(+7.9%)、永兴县(+7.8%)、汝城县(+7.7%)、北湖区(+7.6%)、嘉禾县(+7.5%)增速高于全市平均水平;增速居后3位的分别是宜章县(+6.8%)、安仁县(+6.9%)、桂阳县(+7.0%)。园区规模工业增加值同比增长7.6%,增幅比全市高0.2个百分点,园区工业增加值占全部规模工业增加值比重为81.7%。增速居全市前3位是临武工业园(+8.7%)、郴州经开区(+8.6%)、嘉禾经开区(+8.5%);增速居全市后3位的是桂东工业集中区(+5.9%)、郴州高新区(+7.1%)、安仁工业集中区(+7.2%)。
二、工业税收完成情况。1—6月,全市工业企业实缴税金19.07亿元,同比下降10.7%,其中,工业增值税10.08亿元,同比下降12.3%。工业企业实缴税金总额居全市前3位的是苏仙区(5.35亿元)、北湖区(3.58亿元)、资兴市(2.56亿元);工业企业实缴税金增速居全市前3位的是安仁县(+118.2%)、北湖区(+59.0%)、苏仙区(-1.9%)。
三、工业投资完成情况。1—6月,全市工业固定资产投资增速为18.4%,比1—5月下降3.9个百分点,居全省第6位,增速排前3位的县市区分别是桂阳县(+58.5%)、安仁县(+42.1%)、北湖区(+38.2%);增速排后3位的县市区分别是桂东县(-13.2%)、嘉禾县(+1.9%)、永兴县(+3.2%)。1—6月,全市工业技改投资增速为39.7%,比1—5月下降21.9个百分点,居全省第5位;增速排前3位的分别是北湖区(+245.8%)、桂阳县(+142.6%)资兴市(+62.8%);增速排后3位的分别是桂东县(-35.1%)、苏仙区(-2.0%)、嘉禾县(+4.4%)。
四、新增规模工业企业情况。1—6月,全市新增投产入规工业企业9户,与去年同期持平,占全年预期目标的10%。其中,资兴市(3户)、嘉禾县(3户)、桂阳县(2户)、安仁县(1户)新增规模工业企业户数居全市前4位,其他7个县(区)均为0。
附件:2019年1—6月新型工业化主要指标完成情况表
郴州市加速推进新型工业化工作领导小组办公室
2019年7月23日
附件
2019年1—6月新型工业化主要指标完成情况表
|
县市区 |
规模工业增加值增速 |
园区规模工业 |
工业实缴税金 |
工业投资 |
新增规模工业企业 |
||||||||
|
预期目标 |
实际增速 (%) |
排位 |
增加值增速 (%) |
排位 |
税金总额(万元) |
同比 (%) |
固投增幅(%) |
排位 |
技改投资增幅 (%) |
排位 |
预期目标 |
新入规数(户) |
|
|
郴州市 |
7.0 |
7.4 |
— |
7.6 |
— |
190708 |
-10.7 |
18.4 |
— |
39.7 |
— |
90 |
9 |
|
北湖区 |
7.0 |
7.6 |
4 |
8.6 |
2 |
35844 |
59.0 |
38.2 |
3 |
245.8 |
1 |
10 |
0 |
|
苏仙区 |
7.0 |
7.2 |
7 |
7.1 |
10 |
53484 |
-1.9 |
17.9 |
6 |
-2.0 |
10 |
10 |
0 |
|
桂阳县 |
7.0 |
7.0 |
9 |
7.3 |
8 |
19159 |
-20.3 |
58.5 |
1 |
142.6 |
2 |
10 |
2 |
|
宜章县 |
7.0 |
6.8 |
11 |
7.9 |
4 |
10496 |
-23.3 |
13.0 |
7 |
35.8 |
7 |
7 |
0 |
|
永兴县 |
7.5 |
7.8 |
2 |
7.5 |
7 |
12892 |
-24.6 |
3.2 |
9 |
60.9 |
4 |
8 |
0 |
|
嘉禾县 |
7.2 |
7.5 |
5 |
8.5 |
3 |
8075 |
-4.2 |
1.9 |
10 |
4.4 |
9 |
12 |
3 |
|
临武县 |
8.0 |
7.4 |
6 |
8.7 |
1 |
7051 |
-27.1 |
7.4 |
8 |
29.8 |
8 |
8 |
0 |
|
汝城县 |
7.0 |
7.7 |
3 |
7.6 |
6 |
11487 |
-29.1 |
34.3 |
4 |
38.5 |
6 |
5 |
0 |
|
桂东县 |
7.0 |
7.1 |
8 |
5.9 |
11 |
1587 |
-18.3 |
-13.2 |
11 |
-35.1 |
11 |
4 |
0 |
|
安仁县 |
7.0 |
6.9 |
10 |
7.2 |
9 |
5017 |
118.2 |
42.1 |
2 |
43.9 |
5 |
5 |
1 |
|
资兴市 |
7.5 |
7.9 |
1 |
7.8 |
5 |
25612 |
-2.3 |
23.8 |
5 |
62.8 |
3 |
11 |
3 |
注:1.园区排名不含苏仙工业集中区和湘南物流园。
|
郴州市加速推进新型工业化领导小组办公室 2019年7月23日印发 |