郴推新工办〔2019〕15号
2019年1—8月全市新型工业化主要指标完成
情 况 通 报
各县市区加速推进新型工业化工作领导小组办公室,市加速推进新型工业化工作领导小组成员单位:
现将2019年1—8月全市新型工业化指标完成情况通报如下:
一、规模工业增加值完成情况。1—8月(下同),全市规模工业增加值同比增长7.1%,比1—7月低0.2个百分点,比全省低1个百分点,排全省第11位。北湖区(+7.9%)、永兴县(+7.5%)、汝城县(+7.4%)、嘉禾县(+7.3%)、资兴市(+7.2%)增速高于全市平均水平;增速排后3位的分别是苏仙区(+6.5%)、桂东县(+6.6%)、安仁县(+6.7%)。园区规模工业增加值同比增长7.3%,增幅比全市高0.2个百分点,园区工业增加值占全部规模工业增加值比重为81.0%。增速排全市前3位是郴州经开区(+8.7%)、临武工业园(+8.6%)、嘉禾经开区(+8.5%);增速排全市后3位的是郴州高新区(+5.5%)、桂东工业集中区(+5.6%)、安仁工业集中区(+7.0%)。
二、工业税收完成情况。全市工业企业实缴税金24.32亿元,同比下降8.5%,其中,工业增值税13.31亿元,同比下降11.5%。工业企业实缴税金总额居全市前3位的是苏仙区(6.41亿元)、北湖区(4.61亿元)、资兴市(3.48亿元);工业企业实缴税金增速排全市前3位的是安仁县(+82.6%)、北湖区(+54.0%)、苏仙区(+3.7%)。
三、工业投资完成情况。全市工业固定资产投资增速为13.0%,比1—7月下降1个百分点,排全省第11位,增速排前3位的县市区分别是安仁县(+37.5%)、桂阳县(+36.4%)、北湖区(+30.6%);增速排后3位的县市区分别是桂东县(-27.4%)、宜章县(-4.0%)、永兴县(-1.7%)。全市工业技改投资增速为30.9%,比1—7月下降2.6个百分点,排全省第5位;增速排前3位的分别是桂阳县(+153.0%)、安仁县(+55.1%)、资兴市(+46.2%);增速排后3位的分别是桂东县(-51.9%)、嘉禾县(+13.9%)、苏仙区(20.3%)。
四、新增规模工业企业情况。全市新增投产入规工业企业21户,占全年预期目标的23.3%。其中,嘉禾县(5户)、资兴市(5户)、桂阳县(4户)、苏仙区(3户)、安仁县(2户)新增规模工业企业户数排全市前5位,北湖区、临武县各1户,其余4个县均为0。
附件:2019年1—8月新型工业化主要指标完成情况表
郴州市加速推进新型工业化工作领导小组办公室
2019年9月23日
附件
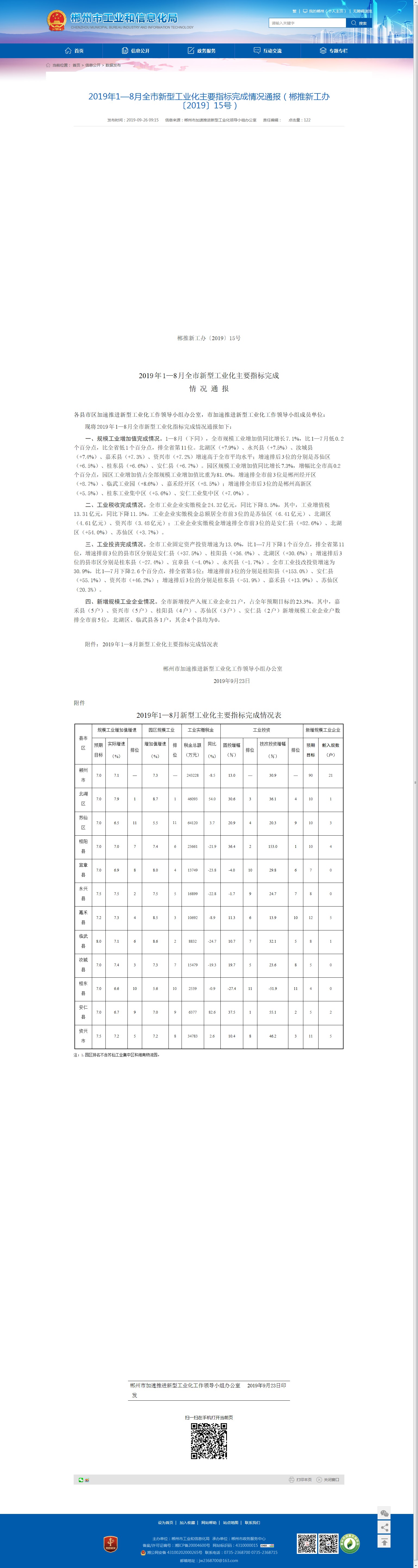
2019年1—8月新型工业化主要指标完成情况表
|
县市区 |
规模工业增加值增速 |
园区规模工业 |
工业实缴税金 |
工业投资 |
新增规模工业企业 |
||||||||
|
预期目标 |
实际增速 (%) |
排位 |
增加值增速 (%) |
排位 |
税金总额(万元) |
同比 (%) |
固投增幅(%) |
排位 |
技改投资增幅 (%) |
排位 |
预期目标 |
新入规数(户) |
|
|
郴州市 |
7.0 |
7.1 |
— |
7.3 |
— |
243228 |
-8.5 |
13.0 |
— |
30.9 |
— |
90 |
21 |
|
北湖区 |
7.0 |
7.9 |
1 |
8.7 |
1 |
46093 |
54.0 |
30.6 |
3 |
36.1 |
4 |
10 |
1 |
|
苏仙区 |
7.0 |
6.5 |
11 |
5.5 |
11 |
64120 |
3.7 |
20.9 |
4 |
20.3 |
9 |
10 |
3 |
|
桂阳县 |
7.0 |
7.0 |
7 |
7.4 |
6 |
23661 |
-21.9 |
36.4 |
2 |
153.0 |
1 |
10 |
4 |
|
宜章县 |
7.0 |
6.9 |
8 |
8.0 |
4 |
13749 |
-23.8 |
-4.0 |
10 |
29.8 |
6 |
7 |
0 |
|
永兴县 |
7.5 |
7.5 |
2 |
7.5 |
5 |
16899 |
-22.8 |
-1.7 |
9 |
24.7 |
7 |
8 |
0 |
|
嘉禾县 |
7.2 |
7.3 |
4 |
8.5 |
3 |
10692 |
-8.9 |
11.3 |
6 |
13.9 |
10 |
12 |
5 |
|
临武县 |
8.0 |
7.1 |
6 |
8.6 |
2 |
8832 |
-24.7 |
10.7 |
7 |
32.1 |
5 |
8 |
1 |
|
汝城县 |
7.0 |
7.4 |
3 |
7.3 |
7 |
15479 |
-19.3 |
19.7 |
5 |
23.6 |
8 |
5 |
0 |
|
桂东县 |
7.0 |
6.6 |
10 |
5.6 |
10 |
2539 |
-0.9 |
-27.4 |
11 |
-51.9 |
11 |
4 |
0 |
|
安仁县 |
7.0 |
6.7 |
9 |
7.0 |
9 |
6377 |
82.6 |
37.5 |
1 |
55.1 |
2 |
5 |
2 |
|
资兴市 |
7.5 |
7.2 |
5 |
7.2 |
8 |
34783 |
2.6 |
10.4 |
8 |
46.2 |
3 |
11 |
5 |
注:1.园区排名不含苏仙工业集中区和湘南物流园。
|
郴州市加速推进新型工业化工作领导小组办公室 2019年9月23日印发 |